Spřahovaní KSK-LIŠTY a KSK-BOX firmy Kontakt – SK z pozinkované oceli a vysoko pevnostních lan jsou navrženy pro dodatečné spojování převážně prefabrikovaných železobetonových dílců stěnového typu. Výše uvedené spřahovaní lišty je nutné doplnit o zálivkovou hmotu, která je tomuto druhu spoje přizpůsobena. Lišty jsou kotveny k bednění v uzavřeném stavu samostatně případně doplněné o trapézovou lištu potřebných rozměrů. Po provedení betonáže a následném odbednění je lišta otevřena oddělitelným víkem a jsou uvolněny spřahující lana.
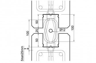
KSK lišta 50 + KSK lišta 50
Tabulka rozměrů
| KSK lišta | s mm | h mm | SL mm | L mm | počet lan | b mm |
| 50 | 58 | 50 | 100 | 1180 | 2 | 600 |
| 50 | 58 | 50 | 100 | 1180 | 4 | 300 |
| 50 | 58 | 50 | 100 | 1180 | 5 | 250 |
| 50 | 58 | 50 | 100 | 1180 | 6 | 200 |
| 50 | 58 | 50 | 100 | 1180 | 8 | 145 |
* Vyhrazujeme si právo na tiskové chyby. Technické změny jsou možné bez předcházejíciho oznámení.